redmax bcz260ts parts diagram

Free lookup Diagrams. Parts Lookup - Enter a part number or partial description to search for parts within this model.


Redmax Trimmers Bcz260ts

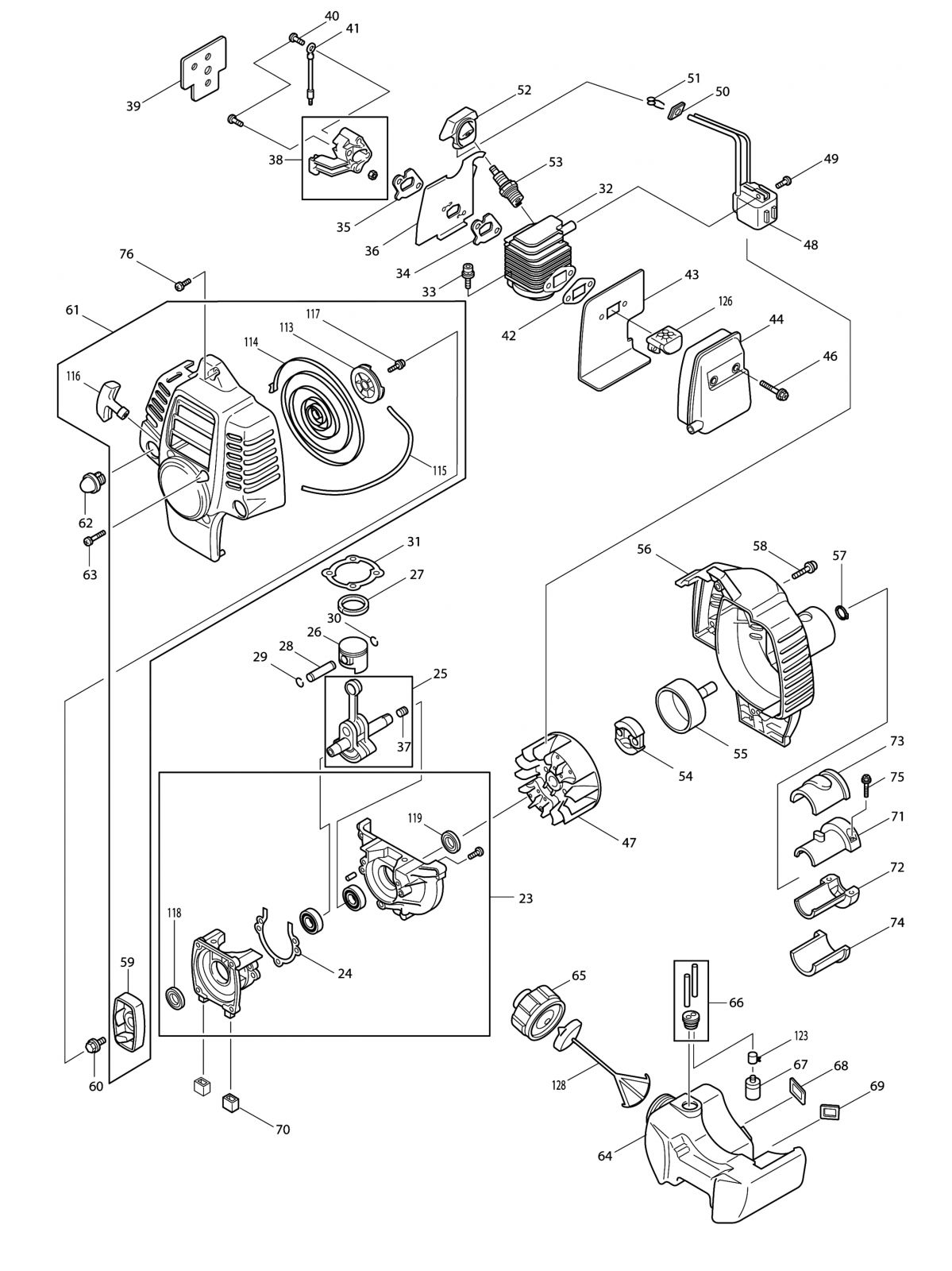
RedMax Parts Lookup -RedMax-BCZ260TS - 967194302 2014-09 855-669-7278 My Store Ann.

. Parts Lookup - Enter a. 8 Images about Red. CARBURETORDETAILS BCZ260TS9671943022018-02 Ref PartNo Description Remark QTYKIT.

Ad Same Day Shipping On All In-Stock RedMax Chainsaw Parts. Parts Manuals Please enter the model number of your RedMax product to search. The core of the Red Max commerical trimmer line.

Red Max BCZ2660TS - SN00400101 AND UP 2014-04 Parts Diagrams. Use our interactive diagrams accessories and expert repair help to fix your RedMax Trimmer. Use our part lists interactive diagrams accessories and expert repair advice to make your.

Red Max BCZ2460TS - SN00400101 AND UP 2014-04 Parts Diagrams. Parts Lookup - Enter a part number or partial description to search for parts within this model. Parts Lookup - Enter a.

Find parts for your redmax drive with our free parts lookup tool. Red Max BCZ3060TS - SN00400101 AND UP Parts Diagrams SWIPE SWIPE. Ad One Stop for all Redmax Parts.

Repair parts and diagrams for BCZ 260 TS 967194302 - RedMax Brushcutter 2014-09. Repair parts lookup and OEM diagrams for outdoor equipment like Toro lawn mowers Cub. Red Max BCZ3060TS - SN00400101 AND UP 2014-04 Parts Diagrams SWIPE SWIPE.

Red Max BCZ2610S - SN70050101 AND UP Parts Diagram for ENGINE. BCZ250SBCZ260SBCZ260TS 114 13 06-49 WARNING The engine exhaust from this product.


Redmax Bcz 260 Ts 967194302 Redmax Brushcutter 2014 09 Engine Parts Lookup With Diagrams Partstree


Inventory From Redmax Richey Clapper Inc Sudbury Ma 978 443 1333


Redmax Trz230s 967194101 Trimmer Edger Partswarehouse


Red Max Bcz2660ts Sn00400101 And Up 2012 08 Parts Diagrams


Red Max Bcz400sw 966785601 2011 11 Parts Diagrams


Redmax Gz25n Workshop Manual Pdf Download Manualslib


Parts Lookup


Redmax Trimmers Bcz260ts


Redmax Bcz260ts 967194302 Bcz2660ts Brushcutter Carburetor Carb Part 502238401 Ebay


Redmax Repair Part 581595001 Spacer Partstree


Redmax Bcz3050s Gewerblicher Rasentrimmer Mit Geradem Schaft Benutzerhandbuch Manuals


Trimmer Head Spring Fits Red Max 521819601 Bcz2450s Bcz2460s Brushcutter Ebay


Inventory From Redmax Cdi Lawn Equipment Collegeville Pa 610 489 3474


Makita Rbc250 Brush Cutter Spare Parts Spare Rbc250 From Spare Parts World


Redmax Bcz 260 Ts 967194302 Redmax Brushcutter 2014 09 Engine Parts Lookup With Diagrams Partstree


Multiquip Whiteman Wbh 21efp Power Buggy Parts Whitemanparts Com


Tail Light Seals Fits 60 69 Ghia Classic Vw Parts For Beetle Bus Ghia Thing Type 3

Iklan Atas Artikel

Iklan Tengah Artikel 1

Iklan Tengah Artikel 2

Iklan Bawah Artikel